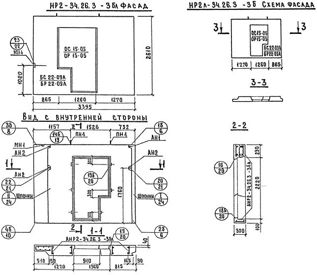
НР2л-34.26.3-3б
Характеристики изделия:
| Параметр | Значение |
|---|---|
| Длина | 3395 мм |
| Ширина | 300 мм |
| Высота | 2610 мм |
| Масса | 2750 кг |
| Нормативный документ | Серия 1.132-2 |
Цена:
Рассчитать стоимостьНР2л-34.26.3-3б Наружная стеновая панель рядовая по Серии 1.132-2.
| Параметр | Значение |
|---|---|
| Длина | 3395 мм |
| Ширина | 300 мм |
| Высота | 2610 мм |
| Масса | 2750 кг |
| Нормативный документ | Серия 1.132-2 |
НР2л-34.26.3-3б Наружная стеновая панель рядовая по Серии 1.132-2.